
FL(R)N36 Indoor AC High Voltage SF6 Load Break Switch and LBS-Fuse Combination are used for the three-phase AC 50/60Hz RMU and terminal power station. The switches are suitable for protecting the 10kV, 24kV and 35kV power system's on load situation. The switch can switch off the on load current, closed loop current, no load transformer capacity and cable charging current. The switch with fuse combination can cut off any current, when the current is in the range of the rated short-circuit breaking current. They are suitable for the RMU, combined transformer, etc..
Technical Information
Technical Specification |
|
|
|
|
Rated voltage | kV | 12 | 24 | 40.5 |
Rated current | A | 630 | 630 | 630 |
Rated power frequency | Hz | 50/60 | 50/60 | 50/60 |
Short circuit making capacity | kA Peak. | 62.5 | 50 | 50 |
Peak withstand current | kA Peak. | 62.5 | 50 | 50 |
Short time current | kA eff. |
|
|
|
1Sec. |
| 25 |
|
|
2Sec. |
|
| 20 | 20 |
Max. breaking capacity in co-operation with fuses IEC 62271-105 (IEC 420 1990-11) | A | 1530 | 920 | 630 |
Mainly active load breaking capacity | A | 630 | 630 | 630 |
Cable charging current | A | 630 | 630 | 630 |
Power frequency withstand voltage 50Hz 1 min,: |
|
|
|
|
- To earth and between poles | kV | 42 | 55 | 95 |
- Across isolating distance | kV | 45 | 70 | 120 |
Impulse withstand voltage 1.2/50μ s: |
|
|
|
|
- To earth and between poles | kV | 75 | 125 | 190 |
- Across isolating distance | kV | 85 | 145 | 220 |
Mechanism Endurance | cycles | 1000 | 1000 | 1000 |
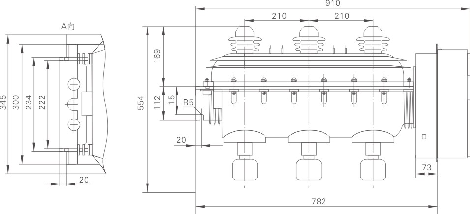
Overall and installation dimensions
Copyright ? Zhejiang Xikai Electric Co. , Ltd. 技術支持:鼎諾傳媒