
FN7-12(24) is used for three-phase AC 50/60Hz 12kV, 24kV power systems. They used for breaking load current and controlling short-circuit current. FN7-12R type M.V load switch-fuse combination is based on the FN7-12 series M.V load switch, then put the operating mechanism on the side, as customer order
Technical Information
Technical Specification |
|
|
|
|
|
Rated voltage | kV |
| 12 | 24 | |
Rated current | A | 400 |
| 630 | 630 |
Rated power frequency | Hz | 50/60 |
| 50/60 | 50/60 |
Short circuit making capacity | kA Peak. | 31.5 |
| 50 | 50 |
Peak withstand current | kA Peak. | 31.5 |
| 50 | 50 |
Short time current | kA eff. |
|
|
|
|
1Sec. |
| 25 |
| 25 | 25 |
3Sec. |
| 12.5 |
| 20 | 20 |
Max. breaking capacity in co-operation with fuses IEC 62271-105 (IEC 420 1990-11) | A | 1600 |
| 1600 | 900 |
Max. fuse current(XRNT Fuse) | A | 200 |
| 200 | 200 |
Power frequency withstand voltage 50Hz 1 min,: |
|
|
|
|
|
- To earth and between poles | kV | 42 |
| 42 | 55 |
- Across isolating distance | kV | 48 |
| 48 | 70 |
Impulse withstand voltage 1.2/50μ s: |
|
|
|
|
|
- To earth and between poles | kV | 75 |
| 75 | 125 |
- Across isolating distance | kV | 85 |
| 85 | 145 |
Mechanism Endurance | cycles | 2000 |
| 2000 | 2000 |
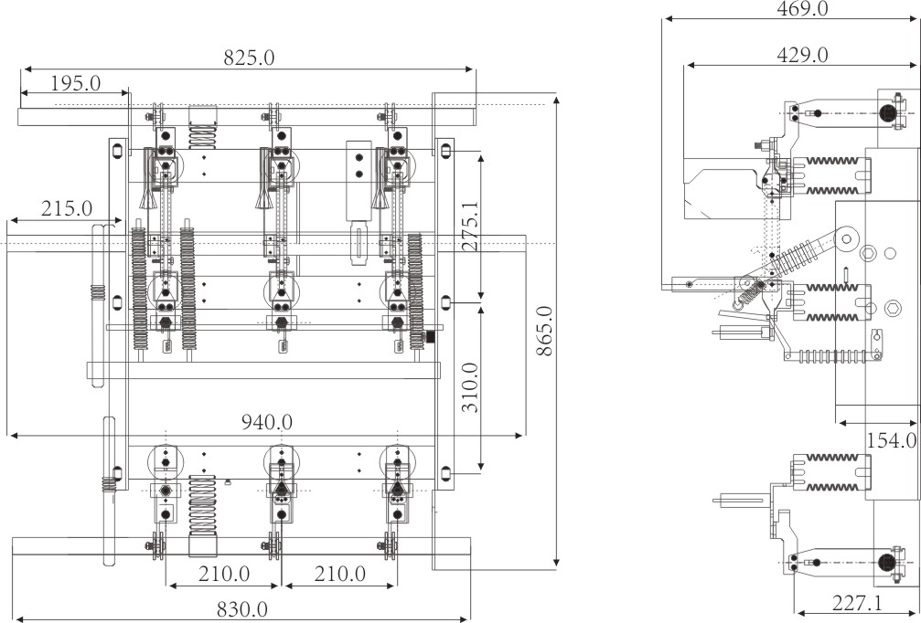
Overall and installation dimensions
Copyright ? Zhejiang Xikai Electric Co. , Ltd. 技術支持:鼎諾傳媒