
ZW20F-12 outdoor AC high voltage boundary vacuum circuit breaker is an outdoor high voltage switchgear with rated voltage of 12kV and three-phase AC 50Hz. It is mainly used to break and close the load current, overload current and short circuit current of the power system. It is suitable for substation, industrial and mining enterprises and urban and rural distribution network for protection and control, especially for places with frequent operation and urban network automation distribution network. This product is matched with the controller to meet the requirements of the distribution automation system and to perform the traditional recloser function reliably and efficiently. It adopts the mature box-type sealing structure, and is filled with SF6 gas inside. It has good sealing performance and is not affected by the external environment. It is a maintenance-free product. The spring operating mechanism adopts a direct-drive chain main drive and a multi-stage tripping system, which has high operational reliability and is a good product of the circuit breaker on the column.
Technical Information
Technical Specification |
|
|
Rated voltage | kV | 12 |
Rated frequency | Hz | 50 |
Rated current | A | 630 |
Rated short-circuit breaking current | kA | 20 |
Rated closing current peak | kA | 50 |
Rated dynamic steady current peak | kA | 50 |
4s thermal stable current | kA | 20 |
Rated manipulation sequence |
| 分-0.3s-合分180s-合分 Score-0.3s-Score180s-Score |
Rated storage motor voltage | V | AC220 |
Highest/lowest energy storage motor voltage | V | AC242/87 |
Rated closing operating voltage | V | AC220 |
Highest/lowest closing operating voltage | V | AC264/43 |
Rated opening operating voltage | V | AC220 |
Highest/lowest opening operating voltage | V | AC264/43 |
Closing period | ms | ≤2 |
Opening different periods | ms | ≤2 |
SF6 gas rated pressure (gauge pressure) | Mpa | 0.01 |
Rated short circuit current breaking times | Times | ≥30 |
Mechanical life | Times | 10000 |
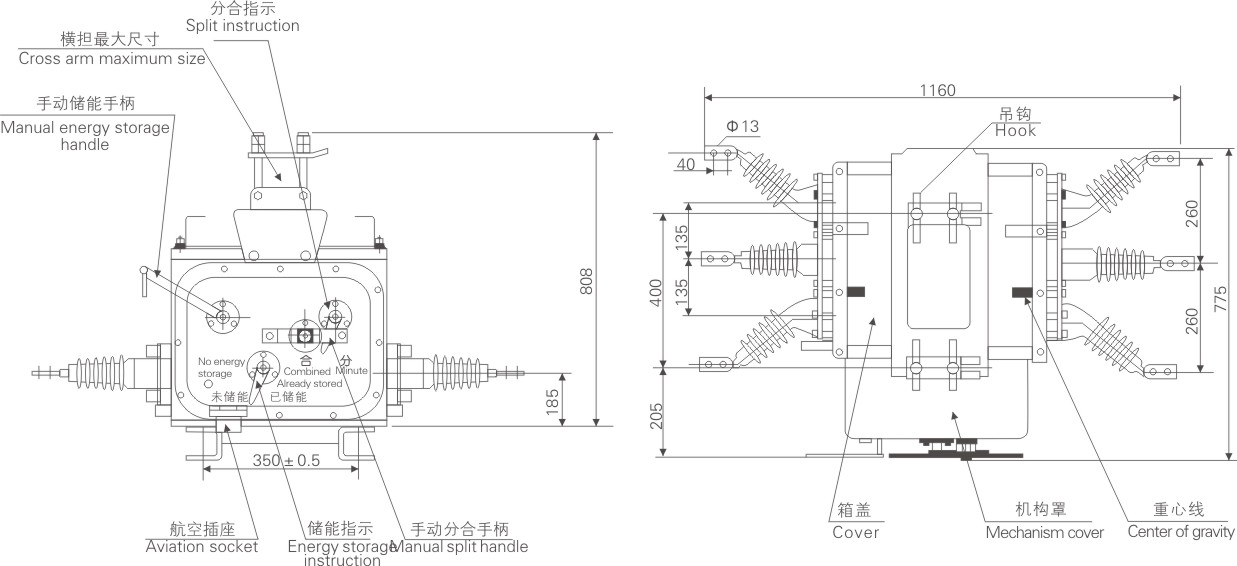
Overall and installation dimensions
Copyright ? Zhejiang Xikai Electric Co. , Ltd. 技術支持:鼎諾傳媒